LCD Display module (Nokia 5110)

Note

Sigo trabajando en mejorar y terminar el artículo. De momento esta incompleto.

El módulo Nokia 5110 es un LCD monocromático que consume muy poco y es o fue muy popular, su pantalla permite 84x48 pixel. Usa originalmente el controlador PCD8544 que se comunica usando el protocolo SPI, se alimenta desde 2.7V hasta 3.3V.

Warning

Entre sus “clones”, está el controlador ST7567 y el AiP31567 que NO son compatibles con el PCD8544.

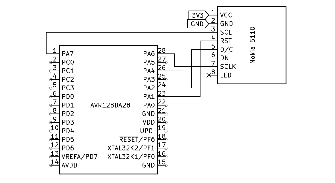
A continuación muestro un diagrama esquemático usando el display con un AVR128DA28:

La conexión del LED a 3V3 es opcional.

Note

Las conexiones para que funcione el MCU son ignoradas a propósito con la intención de simplificar el diagrama para centrarnos en el funcionamiento del módulo.

El código fuente que se muestra a continuación usa los puertos SPI0 que trae el AVR128DA28, por eso la conexión entre el LCD y el MCU es bastante cruzada.

  1
  2
  3
  4
  5
  6
  7
  8
  9
 10
 11
 12
 13
 14
 15
 16
 17
 18
 19
 20
 21
 22
 23
 24
 25
 26
 27
 28
 29
 30
 31
 32
 33
 34
 35
 36
 37
 38
 39
 40
 41
 42
 43
 44
 45
 46
 47
 48
 49
 50
 51
 52
 53
 54
 55
 56
 57
 58
 59
 60
 61
 62
 63
 64
 65
 66
 67
 68
 69
 70
 71
 72
 73
 74
 75
 76
 77
 78
 79
 80
 81
 82
 83
 84
 85
 86
 87
 88
 89
 90
 91
 92
 93
 94
 95
 96
 97
 98
 99
100
101
102
103
104
105
106
107
108
109
110
111
112
113
114
115
116
117
118
119
120
121
122
123
124
125
126
127
128
129
130
131
132
133
134
135
136
137
138
139
140
141
142
143
144
145
146
147
148
149
150
151
152
153
154
155
156
157
158
159
160
161
162
163
164
165
166
167
168
169
170
171
172
173
174
175
176
177
178
179
180
181
182
183
184
#include <avr/io.h>
#include <util/delay.h>
#include <stdint.h>

static const uint8_t font5x7[][5] = {
    {0x00,0x00,0x00,0x00,0x00}, // 32  
    {0x00,0x00,0x5F,0x00,0x00}, // 33 !
    {0x00,0x07,0x00,0x07,0x00}, // 34 "
    {0x14,0x7F,0x14,0x7F,0x14}, // 35 #
    {0x24,0x2A,0x7F,0x2A,0x12}, // 36 $
    {0x23,0x13,0x08,0x64,0x62}, // 37 %
    {0x36,0x49,0x55,0x22,0x50}, // 38 &
    {0x00,0x05,0x03,0x00,0x00}, // 39 '
    {0x00,0x1C,0x22,0x41,0x00}, // 40 (
    {0x00,0x41,0x22,0x1C,0x00}, // 41 )
    {0x14,0x08,0x3E,0x08,0x14}, // 42 *
    {0x08,0x08,0x3E,0x08,0x08}, // 43 +
    {0x00,0x50,0x30,0x00,0x00}, // 44 ,
    {0x08,0x08,0x08,0x08,0x08}, // 45 -
    {0x00,0x60,0x60,0x00,0x00}, // 46 .
    {0x20,0x10,0x08,0x04,0x02}, // 47 /
    {0x3E,0x51,0x49,0x45,0x3E}, // 48 0
    {0x00,0x42,0x7F,0x40,0x00}, // 49 1
    {0x42,0x61,0x51,0x49,0x46}, // 50 2
    {0x21,0x41,0x45,0x4B,0x31}, // 51 3
    {0x18,0x14,0x12,0x7F,0x10}, // 52 4
    {0x27,0x45,0x45,0x45,0x39}, // 53 5
    {0x3C,0x4A,0x49,0x49,0x30}, // 54 6
    {0x01,0x71,0x09,0x05,0x03}, // 55 7
    {0x36,0x49,0x49,0x49,0x36}, // 56 8
    {0x06,0x49,0x49,0x29,0x1E}, // 57 9
    {0x00,0x36,0x36,0x00,0x00}, // 58 :
    {0x00,0x56,0x36,0x00,0x00}, // 59 ;
    {0x08,0x14,0x22,0x41,0x00}, // 60 <
    {0x14,0x14,0x14,0x14,0x14}, // 61 =
    {0x00,0x41,0x22,0x14,0x08}, // 62 >
    {0x02,0x01,0x51,0x09,0x06}, // 63 ?
    {0x32,0x49,0x79,0x41,0x3E}, // 64 @
    {0x7E,0x11,0x11,0x11,0x7E}, // 65 A
    {0x7F,0x49,0x49,0x49,0x36}, // 66 B
    {0x3E,0x41,0x41,0x41,0x22}, // 67 C
    {0x7F,0x41,0x41,0x22,0x1C}, // 68 D
    {0x7F,0x49,0x49,0x49,0x41}, // 69 E
    {0x7F,0x09,0x09,0x09,0x01}, // 70 F
    {0x3E,0x41,0x49,0x49,0x7A}, // 71 G
    {0x7F,0x08,0x08,0x08,0x7F}, // 72 H
    {0x00,0x41,0x7F,0x41,0x00}, // 73 I
    {0x20,0x40,0x41,0x3F,0x01}, // 74 J
    {0x7F,0x08,0x14,0x22,0x41}, // 75 K
    {0x7F,0x40,0x40,0x40,0x40}, // 76 L
    {0x7F,0x02,0x0C,0x02,0x7F}, // 77 M
    {0x7F,0x04,0x08,0x10,0x7F}, // 78 N
    {0x3E,0x41,0x41,0x41,0x3E}, // 79 O
    {0x7F,0x09,0x09,0x09,0x06}, // 80 P
    {0x3E,0x41,0x51,0x21,0x5E}, // 81 Q
    {0x7F,0x09,0x19,0x29,0x46}, // 82 R
    {0x46,0x49,0x49,0x49,0x31}, // 83 S
    {0x01,0x01,0x7F,0x01,0x01}, // 84 T
    {0x3F,0x40,0x40,0x40,0x3F}, // 85 U
    {0x1F,0x20,0x40,0x20,0x1F}, // 86 V
    {0x3F,0x40,0x38,0x40,0x3F}, // 87 W
    {0x63,0x14,0x08,0x14,0x63}, // 88 X
    {0x07,0x08,0x70,0x08,0x07}, // 89 Y
    {0x61,0x51,0x49,0x45,0x43}, // 90 Z
    {0x00,0x7F,0x41,0x41,0x00}, // 91 [
    {0x02,0x04,0x08,0x10,0x20}, // 92 '\'
    {0x00,0x41,0x41,0x7F,0x00}, // 93 ]
    {0x04,0x02,0x01,0x02,0x04}, // 94 ^
    {0x40,0x40,0x40,0x40,0x40}, // 95 _
    {0x00,0x01,0x02,0x04,0x00}, // 96 `
    {0x20,0x54,0x54,0x54,0x78}, // 97 a
    {0x7F,0x48,0x44,0x44,0x38}, // 98 b
    {0x38,0x44,0x44,0x44,0x20}, // 99 c
    {0x38,0x44,0x44,0x48,0x7F}, //100 d
    {0x38,0x54,0x54,0x54,0x18}, //101 e
    {0x08,0x7E,0x09,0x01,0x02}, //102 f
    {0x0C,0x52,0x52,0x52,0x3E}, //103 g
    {0x7F,0x08,0x04,0x04,0x78}, //104 h
    {0x00,0x44,0x7D,0x40,0x00}, //105 i
    {0x20,0x40,0x44,0x3D,0x00}, //106 j
    {0x7F,0x10,0x28,0x44,0x00}, //107 k
    {0x00,0x41,0x7F,0x40,0x00}, //108 l
    {0x7C,0x04,0x18,0x04,0x78}, //109 m
    {0x7C,0x08,0x04,0x04,0x78}, //110 n
    {0x38,0x44,0x44,0x44,0x38}, //111 o
    {0x7C,0x14,0x14,0x14,0x08}, //112 p
    {0x08,0x14,0x14,0x18,0x7C}, //113 q
    {0x7C,0x08,0x04,0x04,0x08}, //114 r
    {0x48,0x54,0x54,0x54,0x20}, //115 s
    {0x04,0x3F,0x44,0x40,0x20}, //116 t
    {0x3C,0x40,0x40,0x20,0x7C}, //117 u
    {0x1C,0x20,0x40,0x20,0x1C}, //118 v
    {0x3C,0x40,0x30,0x40,0x3C}, //119 w
    {0x44,0x28,0x10,0x28,0x44}, //120 x
    {0x0C,0x50,0x50,0x50,0x3C}, //121 y
    {0x44,0x64,0x54,0x4C,0x44}, //122 z
    {0x00,0x08,0x36,0x41,0x00}, //123 {
    {0x00,0x00,0x7F,0x00,0x00}, //124 |
    {0x00,0x41,0x36,0x08,0x00}, //125 }
    {0x08,0x04,0x08,0x10,0x08}, //126 ~
    {0x00,0x00,0x00,0x00,0x00}  //127
};

static inline void spi_init(void) {
    PORTA.DIRSET = PIN4_bm | PIN6_bm | PIN7_bm;
    PORTA.OUTSET = PIN7_bm;
    PORTA.OUTCLR = PIN6_bm;

    SPI0.CTRLA = SPI_ENABLE_bm | SPI_MASTER_bm | SPI_CLK2X_bm | SPI_PRESC_DIV16_gc;
    SPI0.CTRLB = SPI_MODE_0_gc;
}
static inline uint8_t spi_tx(uint8_t v) {
    SPI0.DATA = v;
    while(!(SPI0.INTFLAGS & SPI_IF_bm)) {;}
    return SPI0.DATA;
}

static inline void display_cmd(uint8_t c) {
    PORTA.OUTCLR = PIN2_bm;
    PORTA.OUTCLR = PIN7_bm;
    spi_tx(c);
    PORTA.OUTSET = PIN7_bm;
}
static inline void display_data(uint8_t d) {
    PORTA.OUTSET = PIN2_bm;
    PORTA.OUTCLR = PIN7_bm;
    spi_tx(d);
    PORTA.OUTSET = PIN7_bm;
}
static inline void display_set_xy(uint8_t x, uint8_t y) {
    display_cmd(0x80 | (x & 0x7F));
    display_cmd(0x40 | (y & 0x07));
}
static void display_reset_gpio_init(void) {
    PORTA.DIRSET = PIN1_bm | PIN2_bm;
    PORTA.OUTSET = PIN1_bm;
    _delay_ms(1);
    PORTA.OUTCLR = PIN1_bm; _delay_ms(5);
    PORTA.OUTSET = PIN1_bm; _delay_ms(5);
}
static void display_init(void) {
    spi_init();
    display_reset_gpio_init();
    display_cmd(0x21);
    display_cmd(0xB1);
    display_cmd(0x04);
    display_cmd(0x14);
    display_cmd(0x20);
    display_cmd(0x0C);
}
static void display_clear(void) {
    display_set_xy(0,0);
    PORTA.OUTSET = PIN2_bm;
    PORTA.OUTCLR = PIN7_bm;
    for(uint16_t i=0;i<504;i++)
        spi_tx(0x00);
    PORTA.OUTSET = PIN7_bm;
}

static void display_char(char c) {
    if (c < 32 || (uint8_t)c > 127)
        c = '?';
    const uint8_t *g = font5x7[c - 32];
    PORTA.OUTSET = PIN2_bm;
    PORTA.OUTCLR = PIN7_bm;
    for (uint8_t i=0;i<5;i++)
        spi_tx(g[i]);
    spi_tx(0x00);
    PORTA.OUTSET = PIN7_bm;
}

static void display_print(const char *s) {
    while(*s)
        display_char(*s++);
}

int main(void) {
    display_init();
    display_clear();
    display_set_xy(0,0);
    display_print("PCD8544");

    while(1){}
}

Para compilarlo deberá ejecutar el siguiente comando:

1
2
3
4
avr-gcc -mmcu=avr128da28 \
    -DF_CPU=24000000UL \
    -g -Os -std=gnu99 -Wall -o main.elf *.c
avr-objcopy -O ihex  main.elf main.hex

Para subir el programa al microcontrolador, deberá ejecutar el siguiente comando:

1
avrdude -c serialupdi -p avr128da28 -P /dev/tty.usbserial-2110 -e -F

Si todo fue bien, podrá disfrutar del display.